| Time Tested Design and
Quality Materials for Longer Service Life |
| |
| Dimensions: |
 |
 |
 |
| Model FT-69 |
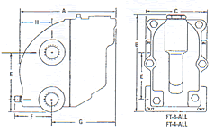
Model FT-3, FT-4 |
Model FT-74, 75, 78, 56, 57, 58, 86,
87, 88 |
|
Model
|
Wt. Lbs.
|
Inlet
|
Outlet
|
A
|
B
|
C
|
D
|
E
|
F
|
G
|
H
|
J
|
|
FT-69-15
|
6
|
3/4
|
34
|
4-3/4
|
5-3/8
|
3-3/8
|
|
1-3/4
|
1-5/8
|
1-1/8
|
1-1/8
|
|
|
FT-74-15
|
14.5
|
1
|
1
|
8-1/4
|
6-3/4
|
5
|
5
|
3-3/8
|
1-1/4
|
1-1/4
|
2-1/4
|
3/8
|
|
FT-75-15
|
17.5
|
1-1/4
|
1-1/4
|
9 5/8
|
6-3/4
|
6
|
5
|
3-3/8
|
1-1/4
|
1-1/4
|
2-1/4
|
318
|
|
FT-78-15
|
27
|
1-1/2
|
1-1/2
|
11-1/2
|
6-3/4
|
6-1/2
|
5
|
3-3/8
|
1-1/4
|
1-1/4
|
2-1/4
|
3/8
|
|
FT-80-15
|
41
|
2
|
2
|
15-1/2
|
9-3/4
|
8-1/2
|
7-1/4
|
4-1/8
|
1 5/8
|
3-1/4
|
3-5/8
|
|
|
FT-56-75
|
13.5
|
3/4
|
3/4
|
8-1/4
|
6-3/4
|
5
|
5
|
3-3/8
|
1-1/4
|
1-1/4
|
2-1/4
|
3/8
|
|
FT-57-75
|
14.5
|
1
|
1
|
8-1/4
|
6-3/4
|
5
|
5
|
3-3/8
|
1-1/4
|
1-1/4
|
2-1/4
|
3/8
|
|
FT-58-75
|
15.5
|
1-1/4
|
1-1/4
|
8-1/4
|
6-3/4
|
5
|
5
|
3-3/8
|
1-1/4
|
1-1/4
|
2-1/4
|
3/8
|
|
FT-86-125
|
13.5
|
3/4
|
3/4
|
8-1/4
|
6-3/4
|
5
|
5
|
3-3/8
|
1-1/4
|
1-1/4
|
2-1/4
|
3/8
|
|
FT-87-125
|
14.5
|
1
|
1
|
8-1/4
|
6-3/4
|
5
|
5
|
3-3/8
|
1-1/4
|
1-1/4
|
2-1/4
|
3/8
|
|
FT-88-125
|
15.5
|
1-1/4
|
1-1/4
|
8-1/4
|
6-3/4
|
5
|
5
|
3-3/8
|
1-1/4
|
1-1/4
|
2-1/4
|
3/8
|
|
FT-3-
|
9
|
3/4
|
3/4
|
6
|
6-5/8
|
4-1/8
|
|
3-1/8
|
2-5/8
|
3-7/8
|
2-1/4
|
|
|
FT-4-
|
9
|
1
|
1
|
6
|
6-5/8
|
4-1/8
|
|
3-1/8
|
2-5/8
|
3-7/8
|
2-1/4
|
|
|
|
|
| |
| Listing of Parts: |
 |
 |
 |
| Model FT-69 |
Model FT-3, FT-4 |
Model FT-74, 75, 78, 56, 57, 58, 86, 87, 88 |
|