Contact Our Eductor Sales Team: 1+201-419-6111 or sales@nciweb.com

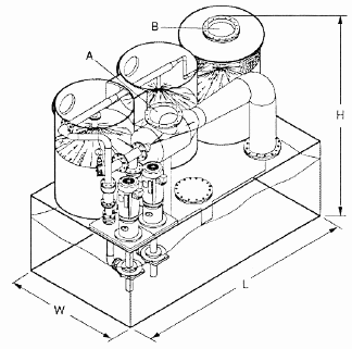
Emergency Scrubber System Type SW Dimensions

wpeA.gif (63225 bytes)

MODEL

L

W

H

A (Inlet)

B (Outlet)

WT. LBS*

HP

250 VP

5’ 6"

2’ 6"

7’

6"

6"

1500

5

3000 VP

13’ 6"

8’

10’

18"

18"

5300

40

 

* Weight is based on an empty two-pump SW system.

Model numbers indicate the scrubber air exhaust air exhaust rate in cfm.

VP indicates a vertical sealless pump.

GET AN IDEA OF PARTICLE SIZES
 
 
Previous Page